He 162 Salamander Interior
for Dragon Kit

Brengun, 1/48 scale
S u m m a r y : |
Catalogue Number: |
Brengun Item No. BRL 48013 - He 162 Salamander Interior for Dragon Kit |
Description: |
Various aircraft model accessories. |
Price: |
From 11,96 Eur available from specialist hobby retailers worldwide. |
Scale: |
1/48 |
Contents & Media: |
Detailed Photo Etched fret; Clear film for instruments; 15 resin parts |
Review Type: |
First Look. |
Advantages: |
Comprehensive and crisply detailed cockpit detail set which will breath new life into the Dragon He 162. |
Disadvantages: |
No colour callouts or instructions on how it could be adapted for the Tamiya Salamander |
Conclusions: |
Recommended upgrade set for the Dragon He 162 |
Reviewed by Dave Wilson

HyperScale is proudly supported by
Squadron.com
A new product from the Czech aftermarket accessory manufacturer Brengun Accessories is a comprehensive photo etch and resin details upgrade set tagged for the 1/48th scale Dragon He 162 Salamander.
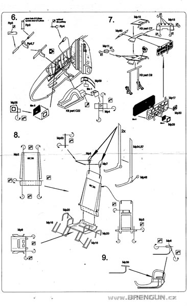
The bright red header tag holds two well packaged clear bags, one for the 15 resin parts and the other for the 60 part photo etch fret and clear film part.
A two page pictorial- style instruction sheet aids assembly but there are no colour callouts and modellers will need to resort to their own references.
Without having the Dragon kit to hand, a first look-type review cannot speculate on how well the detail set parts can be incorporated into the Dragon model. However the 60 items on the PE fret are crisply detailed and offer a comprehensive cockpit array of rear bulkhead, a multi part seat, straps, instrument panel as well as sundry levers and switches and so on.
The resin parts are cleanly cast in a medium grey resin and are free of blemishes. These include replacement side consoles. The clear film insert includes cockpit dials to be sandwiched behind the photo etch instrument panel.
Dragon’s He 162 has been around for some years (its origins lie in the Trimaster range) and various aftermarket cockpit sets and PE accessories have also been available for some time, including reissues from Dragon itself.
Brengun’s decision to issue a set into a somewhat crowded market for Dragon He 162 add on items means it’s not the only player in the He 162 detail field. Choosing the respected Dragon kit rather than the more recent Tamiya version begs the question of whether this update set could be used for the Tamiya model. The instructions make no mention of the set’s use other than for the Dragon kit.
Modellers with the Dragon Salamander will find plenty here to enhance their model’s cockpit and bring it up to 2011 standards.
Thanks to Brengun Models for the review sample.
Review Text and Images Copyright © 2011 by Dave Wilson
Page Created 18 August, 2011
Last updated
18 August, 2011
Back to HyperScale
Main Page
Back to Reviews
Page

|